Descriere
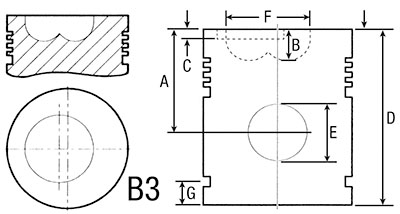
Date tehnice:
Ø 103.00 mm
A: 59.6 mm
B: 22.7 mm
D: 101.15 mm
E: 34 mm
Tip motor:
8055.05 – Iveco
8065.04 – Iveco
8035.04 – Iveco
8055.04 – Iveco
8045.04 – Iveco
Fiat
Tractor
55
95-55
90
90-90
Classique
1000 Sup , 1180 , 1180DT , 566 , 570 , 580 , 766 , 780 , 880-5






Recenzii
Nu există recenzii până acum.